D363H/W對焊式硬密封蝶閥
產品概況
產品型號:D363H/W
公稱通經:DN100~1000mm、NPS4"~48"
公稱壓力:強度試驗(1.5×PN)密封試驗(1.1×PN)
適用溫度:碳鋼:-29℃~425℃,不銹鋼:-40℃~650℃
適用介質:水、熱水、蒸汽、油品
驅動形式:蝸輪傳動、電動、氣動、液動
焊接標準:GB12224、ANSI B16.25、DIN2559
D363H/W對悍式硬密封蝶閥特點
1、采用三偏心蝶閥閥門,此設計使閥門為高溫、高壓、防火應用中氣泡級密封的理想硬密封蝶閥。
2、由于采用焊接結構,使閥門與管道平面達到零泄漏。
3、此閥無法蘭,對管道和保溫包扎帶來了很大的方便和美觀。
D363H/W對悍式硬密封蝶閥主要技術參數
| 公稱通徑DN(mm) | DN(100~400)mm、in4~48 |
| 公稱壓力PN(MPa) | 強度試驗(1.5×PN)密封試驗(1.1×PN) |
| 適用溫度 | 碳鋼:-29℃~425℃,不銹鋼:-40℃~650℃ |
| 適用介質 | 水、蒸汽、熱水、油品 |
| 驅動方式 | 蝸輪傳動、電動、氣動、液動 |
| 壓力等級 | ANSI 150Lb/PN25 |
| 焊接標準 | GB12224、ANSI B16、25、DIN2559 |
D363H/W對焊式硬密封蝶閥主要零部件材料
| 零件名稱 | 材料 |
| 閥體 | 碳鋼、不銹鋼、鉻鋁鋼 |
| 蝶板 | 碳鋼、合金鋼、不銹鋼 |
| 閥座 | 3不銹鋼、鈷基硬質合金 |
| 軸套 | 不銹鋼 |
| 閥桿 | 不銹鋼、特殊材料 |
| 填料 | 柔性石墨 |
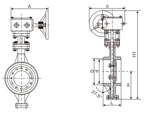
D363H/W對悍式硬密封蝶閥連接尺寸

|
公稱通徑 |
主要尺寸 | 公稱通徑 | 主要尺寸 | ||||||
| in | DN(mm) | L | H1 | H | in | DN(mm) | L | H1 | H |
| 4 | 100 | 190 | 270 | 370 | 18 | 450 | 330 | 535 | 820 |
| 5 | 125 | 200 | 295 | 390 | 20 | 500 | 350 | 560 | 900 |
| 6 | 150 | 210 | 308 | 416 | 24 | 600 | 390 | 630 | 980 |
| 8 | 200 | 230 | 370 | 530 | 28 | 700 | 430 | 670 | 1100 |
| 10 | 250 | 250 | 450 | 580 | 32 | 800 | 470 | 800 | 1300 |
| 12 | 300 | 270 | 465 | 630 | 36 | 900 | 510 | 850 | 1370 |
| 14 | 350 | 290 | 475 | 595 | 40 | 1000 | 550 | 880 | 1480 |
| 16 | 400 | 310 | 505 | 755 | 48 | 1200 | 630 | 1000 | 1690 |
溫馨提示:
本文中所有文字、數據、圖片均只適用于參考。需要查看更多的D363H/W對焊式硬密封蝶閥性能參數、結構尺寸參數、價格等詳情,或要求高質量印刷樣本,請聯(lián)系我們。